
Na našich webových stránkách, po zadání názvu Vaší obce, se v sekci "Informace o vodovodu a kanalizaci ve Vaší obci" ujistěte, že zde VAS provozuje vodovod/kanalizaci pro veřejnou potřebu.
Zajistěte si informace o námi provozovaném vodovodu/kanalizaci podáním žádosti o „Poskytnutí informace k existenci sítí“ prostřednictvím Vyjadřovacího portálu.
Spolu s polohou námi provozovaných inženýrských sítích obdržíte rovněž informace o požárním zabezpečení z veřejného vodovodu v zadané oblasti a informaci o hydrostatickém tlaku ve vodovodní síti.
Dokumentaci si zajišťuje sám stavebník a musí být zpracována v souladu s aktuálními právními předpisy a standardy.
Technik VAS si může vyžádat níže uvedené údaje:
Technik VAS si může vyžádat níže uvedené údaje:
Projektové dokumentace předáváte pouze v elektronické podobě výhradně prostřednictvím webového formuláře na Vyjadřovacím portálu, a to vyplněním základních údajů a odesláním elektronické projektové dokumentace do našeho úložiště. Průběžně můžete po přihlášení sledovat stav Vaší žádosti. U některých složitějších (zpravidla vodohospodářských) staveb si dodatečně vyžádáme i papírovou podobu projektové dokumentace. V případě potřeby k doplnění informací Vás budou kontaktovat naši technici. Při zpracování Vaší žádosti plně využíváme Vámi zadaných informací.
Všechny žádosti o vyjádření k projektovým dokumentacím nyní zpracovávají techničtí pracovníci divizí. Zaslané žádosti vyřizujeme zpravidla do 30 dní.
Až v okamžiku, kdy:
vyplňte Podklad k uzavření smlouvy u nově zřizovaných přípojek
Formulář můžete doručit na zákaznické oddělení:
Na základě Podkladu k uzavření smlouvy Vám bude zaslán návrh Smlouvy na dodávku pitné vody a odvádění odpadních vod.
Veškeré zemní práce můžete začít provádět až po vytyčení všech inženýrských sítí. Vytyčení námi provozovaných sítí lze objednat na příslušném provozním středisku, kontaktní údaje viz. vyjádření VAS k příslušné stavbě nebo je naleznete na našich webových stránkách po zadání názvu Vaší obce.
Vytyčení ostatních sítí, případně zajištění povolení ke zvláštnímu užívání komunikace (vydává místně příslušný odbor dopravy) si zajišťuje stavebník sám.
Stavební práce a připravenost musí být zajištěna dle projektové dokumentace. VAS zpravidla provádí pouze navrtání a montáž přípojky (u vodovodní přípojky po vodoměr včetně vodoměrné sestavy). Zemní práce, zřízení vodoměrné šachty, provedení protlaků apod. si zajišťuje stavebník sám, a to před samotným provedením přípojky.
Po doručení podepsané odběratelské smlouvy z naší strany je možné telefonicky sjednat termín realizace přípojky na příslušném provozním středisku. Kontaktní údaje viz vyjádření VAS k příslušné stavbě nebo je naleznete na našich webových stránkách po zadání názvu Vaší obce.
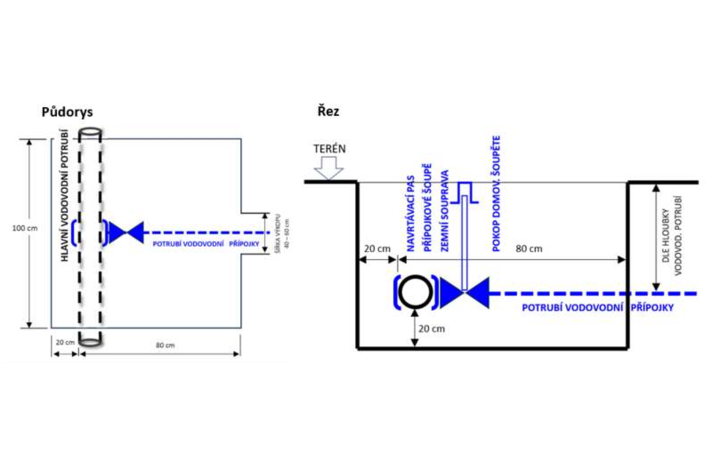
Požadavek na velikost vodoměrné šachty a schéma přípravy výkopových prací pro realizaci vod. přípojky:

Popis obrázku: Schéma přípravy výkopových prací pro realizaci vodovodní přípojky
Rozměry vodoměrné šachty pro vodovodní přípojku d32mm:
Napojení navrtávkou na veřejný vodovod/kanalizaci, osazení vodoměrné sestavy (zpravidla do vodoměrné šachty) dle schválené dokumentace a zaplombování vodoměru provádějí výhradně pracovníci VAS.
Před záhozem výkopu musí být provedena tlaková zkouška přípojky za přítomnosti pracovníka provozu vodovodní sítě VAS. Současně bude provedena kontrola položeného potrubí před záhozem.
Manipulace s uzávěrem vodovodní přípojky u vodovodního řadu, uzávěrem před vodoměrem a s vodoměrem smí provádět pouze zaměstnanci VAS.
Realizace vodovodní přípojky je možná pouze v případě příznivých klimatických podmínek. V případě stavební nepřipravenosti pro realizaci vodovodní nebo kanalizační přípojky nebudou požadované práce ze strany VAS provedeny.
Ceny služeb a materiálů uvádí společnost VODÁRENSKÁ AKCIOVÁ SPOLEČNOST, a.s. v příslušném ceníku. Ceny uvedené v ceníku jsou cenami orientačními, které se mohou zejména odvíjet od specifických požadavků objednatele na přizpůsobení služby (například specifické technické řešení).
Vodovodní přípojka umožňuje dopravit pitnou vodu z vodovodu pro veřejnou potřebu do vnitřního rozvodu vody v připojené nemovitosti.
Přípojka je samostatnou stavbou, kterou tvoří úsek potrubí od odbočení z vodovodního řadu k vodoměru. Pokud není vodoměr, pak k vnitřnímu uzávěru připojeného pozemku nebo stavby. Odbočení s uzávěrem je součástí vodovodu.
Vodovodní přípojka není vodním dílem.
Není povoleno zřizovat přípojky k objektům, které nepodléhají zápisu do katastru nemovitostí.
Kanalizační přípojka umožňuje odvádět odpadní vody z připojené nemovitosti do kanalizace pro veřejnou potřebu. Kanalizační přípojka je samostatnou stavbou, tvořenou úsekem potrubí od vyústění vnitřní kanalizace stavby nebo odvodnění pozemku k zaústění do stokové sítě. Podmínky pro její zřízení a následný provoz a údržbu se řídí příslušným ustanovením „zákona č.274/2001 Sb., o vodovodech a kanalizacích".
Kanalizační přípojka není vodním dílem.
Pro každou připojovanou nemovitost se zásadně zřizuje samostatná přípojka. Výjimečně lze se souhlasem VAS zřídit jednu přípojku pro více nemovitostí (např. pro areál jednoho vlastníka), jsou-li pro to technické nebo ekonomické důvody. V případě, že bude výjimečně povoleno zřízení jedné vodovodní přípojky pro více nemovitostí, musí být na přípojce osazen jeden fakturační vodoměr a ostatní vodoměry budou pouze podružné. Podružné vodoměry budou v majetku a ve správě vlastníků nemovitostí.
Vodovodní i kanalizační přípojku pořizuje na své náklady odběratel, není-li dohodnuto jinak; vlastníkem přípojky je osoba, která na své náklady přípojku pořídila. (viz §3, odst. 6, zákona 274/2001 Sb. v platném znění)
Přípojka do 25 m délky je definována jako drobná stavba, viz Příloha č. 1 k zákonu č. 283/2021 Sb., odst. a), bod 30. Dle nového stavebního zákona drobná stavba nepodléhá povolení stavebního úřadu.
Přípojka nad 25 m délky je definována jako jednoduchá stavba, viz Příloha č. 2 k zákonu č. 283/2021 Sb., odst. 1, písmeno i). Jednoduché stavby vyžadují povolení stavebního úřadu.
V obou případech je stavebník povinen nechat zpracovat dokumentaci přípojky a předložit na VAS ke schválení.